Редуктор червячный двухступенчатый Ч2-40/80




Технические характеристики Ч2-40/80
| Название | Значение |
| Межосевое расстояние | 40/80 |
| Передаточное отношение | 100, 125, 160, 200, 400, 600, 1000, 1600, 2500, 4000 |
| Обороты вых. вала, об/мин | 0,98 - 24 |
| Крутящий момент, Н*м | 400 |
| Мощность двигателя, кВт | 0,1 - 1,5 |
| Исполнение входного и выходного валов | Ц, К, П (Цилиндрический, Конический, Полый) |
| Вес, кг | 28 |
Редуктор червячный двухступенчатый — это надежное и проверенное решение для промышленных приводов, где требуется значительное снижение частоты вращения валов при одновременном увеличении крутящего момента. В отличие от одноступенчатых аналогов, двухступенчатые универсальные редукторы серии Ч2 обеспечивают более высокие передаточные числа, что делает их незаменимыми в тяжелонагруженных механизмах: конвейерных линиях, смесительных установках, подъемно-транспортном оборудовании и других узлах промышленных сборок.
Редуктор Ч2-40/80 технические характеристики предусматривает компактное размещение, самоторможение и плавную передачу усилия, а также совместимость с электродвигателями различных типов. Для достижения требуемых параметров вращения используется межосевое расстояние — 40/80, которое напрямую влияет на величину передаточного числа и устойчивость передачи.
Все редукторы Ч2:
- изготавливаются в соответствии с требованиями ГОСТа И ТУ;
- имеют продуманную систему смазки;
- рассчитаны на длительную эксплуатацию даже в условиях повышенной запыленности, вибрации или переменных нагрузок.
Передача вращения реализуется с учетом передаточного отношения — 100, 125, 160, 200, 400, 600, 1000, 1600, 2500, 4000, что обеспечивает плавность движения и высокий КПД. Для корректной работы привода также учитывается обороты вых. вала — 0,98 - 24, при которых обеспечивается оптимальное распределение нагрузки между ступенями редуктора.
Благодаря универсальным схемам подключения и возможности монтажа в различных положениях, двухступенчатый универсальный редуктор легко интегрируется в существующие приводы и механизмы. При этом конструкция рассчитана на передачу значительных нагрузок — крутящий момент — 400, что делает устройство подходящим для оборудования с переменной мощностью и частотой пусков.
Эффективность всей системы во многом зависит от согласования параметров двигателя и редуктора. Поэтому для расчета энергопередачи учитывается мощность двигателя — 0,1 - 1,5, обеспечивающая стабильную работу механизма на длительных циклах.
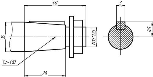
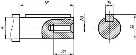
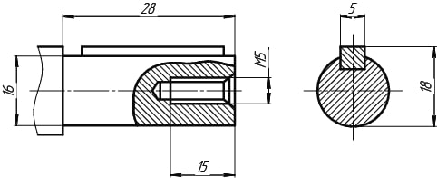
Дополнительно конструкция предусматривает различные варианты валов для интеграции с приводом — исполнение конца выходного вала — Ц, К, П (Цилиндрический, Конический, Полый), что позволяет адаптировать редуктор под требования конкретного оборудования.
Если вы ищете технически обоснованное решение для вашего производства, обратите внимание на червячный редуктор Ч2-40/80 — его технические характеристики, включая крутящий момент и передаточное отношение, подобраны для максимальной эффективности в реальных условиях эксплуатации.
Пример условного обозначения червячного редуктора Ч2-40/80
Ч2-40/80-160-12-21-1-Цвх/Квых, где
Ч2 — модель;
40 - габарит редуктора 1 ступени.
80 - габарит редуктора 2 ступени
160 — передаточное число;
12 — вариант сборки, тихоходная ступень: выходной вал вниз;
21 — быстроходная: вход сбоку;
Вход — цилиндрический, выход — конический.
ЦКП — Ц - цилиндрический, К - Конический, П - Полый
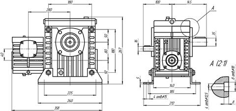
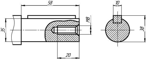
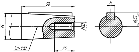
Габаритные и присоединительные размеры Ч2-40/80
Таблица подбора червячного редуктора Ч2-40/80
| Марка редуктора | Номинальный крутящий момент (H*м) | Допускаемая радиальная нагрузка (Н) | Масса (кг) | |||
|---|---|---|---|---|---|---|
| 600 об/мин | 1000 об/мин | 1500 об/мин | Быстроходный вал | Тихоходный вал | ||
| Ч2-40/63-100 | 235 | 232 | 228 | 180 | 3500 | 21 |
| Ч2-40/63-125 | 248 | 245 | 243 | |||
| Ч2-40/63-160 | 260 | 258 | 253 | |||
| Ч2-40/63-200 | 263 | 260 | 257 | |||
| Ч2-40/63-250 | 269 | 265 | 260 | |||
| Ч2-40/63-315 | 275 | 273 | 270 | |||
| Ч2-40/63-400 | 285 | 280 | 275 | |||
| Ч2-40/63-500 | 286 | 282 | 278 | |||
| Ч2-40/63-630 | 287 | 285 | 281 | |||
| Ч2-40/63-800 | 288 | 286 | 283 | |||
| Ч2-40/63-1000 | 290 | 288 | 286 | |||
| Ч2-40/63-1250 | 293 | 290 | 288 | |||
| Ч2-40/63-1600 | 250 | 247 | 244 | |||
| Ч2-40/63-2000 | 252 | 250 | 247 | |||
| Ч2-40/63-2500 | 255 | 252 | 249 | |||
| Ч2-40/63-3150 | 232 | 230 | 227 | |||
| Ч2-40/63-4000 | 225 | 220 | 210 | |||
| Ч2-40/80-100 | 390 | 387 | 384 | 180 | 5200 | 27 |
| Ч2-40/80-125 | 435 | 431 | 427 | |||
| Ч2-40/80-160 | 465 | 462 | 460 | |||
| Ч2-40/80-200 | 475 | 470 | 467 | |||
| Ч2-40/80-250 | 480 | 475 | 470 | |||
| Ч2-40/80-315 | 485 | 482 | 480 | |||
| Ч2-40/80-400 | 492 | 490 | 487 | |||
| Ч2-40/80-500 | 489 | 485 | 483 | |||
| Ч2-40/80-630 | 503 | 500 | 497 | |||
| Ч2-40/80-800 | 508 | 505 | 500 | |||
| Ч2-40/80-1000 | 510 | 507 | 505 | |||
| Ч2-40/80-1250 | 516 | 512 | 509 | |||
| Ч2-40/80-1600 | 456 | 452 | 449 | |||
| Ч2-40/80-2000 | 460 | 457 | 452 | |||
| Ч2-40/80-2500 | 465 | 460 | 455 | |||
| Ч2-40/80-3150 | 413 | 410 | 408 | |||
| Ч2-40/80-4000 | 370 | 366 | 363 | |||
| Ч2-63/100-100 | 725 | 723 | 720 | 180 | 7280 | 64 |
| Ч2-63/100-125 | 790 | 788 | 785 | |||
| Ч2-63/100-160 | 741 | 736 | 833 | |||
| Ч2-63/100-200 | 861 | 857 | 855 | |||
| Ч2-63/100-250 | 843 | 840 | 837 | |||
| Ч2-63/100-315 | 910 | 905 | 900 | |||
| Ч2-63/100-400 | 929 | 925 | 922 | |||
| Ч2-63/100-500 | 948 | 943 | 941 | |||
| Ч2-63/100-630 | 960 | 957 | 955 | |||
| Ч2-63/100-800 | 972 | 970 | 967 | |||
| Ч2-63/100-1000 | 986 | 980 | 981 | |||
| Ч2-63/100-1250 | 990 | 985 | 981 | |||
| Ч2-63/100-1600 | 857 | 853 | 848 | |||
| Ч2-63/100-2000 | 860 | 856 | 853 | |||
| Ч2-63/100-2500 | 864 | 861 | 857 | |||
| Ч2-63/100-3150 | 765 | 761 | 757 | |||
| Ч2-63/100-4000 | 615 | 610 | 604 | |||
| Ч2-80/125-100 | 1240 | 1235 | 1232 | 340 | 9700 | 104 |
| Ч2-80/125-125 | 1375 | 1368 | 1365 | |||
| Ч2-80/125-160 | 1476 | 1470 | 1467 | |||
| Ч2-80/125-200 | 1568 | 1560 | 1555 | |||
| Ч2-80/125-250 | 1360 | 1355 | 1349 | |||
| Ч2-80/125-315 | 1443 | 1439 | 1433 | |||
| Ч2-80/125-400 | 1576 | 1570 | 1567 | |||
| Ч2-80/125-500 | 1691 | 1687 | 1682 | |||
| Ч2-80/125-630 | 1775 | 1772 | 1767 | |||
| Ч2-80/125-800 | 1840 | 1836 | 1833 | |||
| Ч2-80/125-1000 | 1855 | 1879 | 1873 | |||
| Ч2-80/125-1250 | 1919 | 1912 | 1907 | |||
| Ч2-80/125-1600 | 1672 | 1667 | 1663 | |||
| Ч2-80/125-2000 | 1683 | 1678 | 1673 | |||
| Ч2-80/125-2500 | 1688 | 1684 | 1681 | |||
| Ч2-80/125-3150 | 1468 | 1462 | 1457 | |||
| Ч2-80/125-4000 | 1157 | 1153 | 1148 | |||
| Ч2-80/160-100 | 2045 | 2040 | 2034 | 340 | 10850 | 170 |
| Ч2-80/160-125 | 2234 | 3338 | 2223 | |||
| Ч2-80/160-160 | 2375 | 2370 | 2367 | |||
| Ч2-80/160-200 | 2667 | 2659 | 2655 | |||
| Ч2-80/160-250 | 2326 | 2320 | 2315 | |||
| Ч2-80/160-315 | 2475 | 2472 | 2467 | |||
| Ч2-80/160-400 | 2809 | 2804 | 2800 | |||
| Ч2-80/160-500 | 3097 | 3092 | 3089 | |||
| Ч2-80/160-630 | 3310 | 3304 | 3300 | |||
| Ч2-80/160-800 | 3475 | 3470 | 3467 | |||
| Ч2-80/160-1000 | 3506 | 3502 | 3499 | |||
| Ч2-80/160-1250 | 3537 | 3530 | 3525 | |||
| Ч2-80/160-1600 | 3153 | 3150 | 3144 | |||
| Ч2-80/160-2000 | 3172 | 3168 | 3160 | |||
| Ч2-80/160-2500 | 3183 | 3178 | 3172 | |||
| Ч2-80/160-3150 | 2881 | 2876 | 2872 | |||
| Ч2-80/160-4000 | 2149 | 2142 | 2139 | |||
Чтобы купить редуктор Ч2-40/80 в Москве, достаточно оформить заявку на сайте или связаться с нашими специалистами по телефону. Мы предлагаем только сертифицированные двухступенчатые червячные редукторы, соответствующие ГОСТам и отраслевым стандартам, с гарантией качества и оперативной доставкой по всей России.
Независимо от сложности вашей задачи — будь то модернизация действующего оборудования или комплектация нового производственного участка — наши инженеры помогут подобрать оптимальную модель, учитывая особенности размещения, требуемую частоту вращения и нагрузку на валы.
Закажите червячный редуктор Ч2-40/80 уже сегодня и получите надежный, энергоэффективный и долговечный узел для вашего промышленного механизма.
Адреса ООО "СП НАСОСЭНЕРГОМАШ":
*Доставка в другие регионы осуществляется траспортными компаниями.
Услуги транспортной компании оплачивает клиент.
В ближайшее время наши менеджеры
свяжутся с Вами.
В ближайшее время наши менеджеры
свяжутся с Вами.


